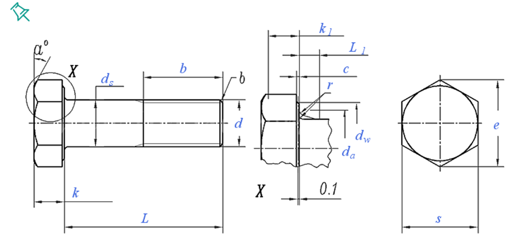
Is ceanglóirí bunúsacha iad scriúnna & boltaí heicseagáin sheachtracha a aithnítear as a ndearadh ceann sé thaobh, a ndearnadh innealtóireacht orthu chun tarchur ard-chasmhóiminte agus cobhsaíocht mheicniúil a sheachadadh ar fud iarratais thionsclaíocha. Arna mhonarú ó chruach carbóin (gráid 8.8, 10.9, nó 12.9) nó ó chóimhiotail saincheaptha, tá na dúntóirí seo idir snáitheanna miniature M1.6 go trastomhais M64 tromshaothair, le faid ag cuimsiú 12mm go 500mm chun freastal ar riachtanais éagsúla ualach. Ceadaíonn an ceann heicsidheachúlach seachtrach rannpháirtíocht eochair nó soicéad, ag cinntiú géarú slán i spásanna teoranta - criticiúil chun frámaí innealra a chur le chéile, joints cruach struchtúracha, nó comhpháirteanna feithicleach ina bhfuil friotaíocht creathaidh ríthábhachtach.
Cóireálacha dromchla cosúil le meirge comhraic a chomhrac i dtimpeallachtaí amuigh faoin aer (m.sh., droichid, túir tarchuir), agus laghdaíonn bratuithe ocsaíd dhubha machnamh solais i optaic bheachtais nó i crua-earraí míleata. Feabhsaíonn bailchríocha speisialtachta mar PTFE nó péint leictreafaitice friotaíocht cheimiceach le húsáid i ngléasraí próiseála ceimiceacha nó i dtrealamh mara. Cabhraíonn códú datha saincheaptha (gorm, dearg) i bprótacail bhainistíochta fardail nó i bprótacail sábháilteachta, ag idirdhealú rátálacha ualaigh nó gráid ábhair ar an láthair. Le lamháltais chaighdeánaithe snáithe agus láidreachtaí teanntachta, buaileann na boltaí seo le sonraíochtaí ISO agus ASTM, ag cothromú éifeachtúlacht costais le feidhmíocht do thionscail ó fhuinneamh in-athnuaite go déantúsaíocht throm. Mar gheall ar a n -inoiriúnaitheacht in ábhar, sciath, agus méide, is réiteach uilíoch iad d'innealtóirí a thugann tús áite do mharthanacht, éascaíocht suiteála, agus comhlíonadh le caighdeáin dhiana meicniúla.


























